|
| 第3期・玄関バリアフリー化、他増改築・【平成15年】 |
ユニバーサルデザインとしました。
■玄関:
医院クサクしたくない、“病人扱い”をしたくない、外部環境が整っていないのに、医院だけバリアフリーにしても意味が無いと考えて、最初はスロープを敢えて造りませんでした。
しかし、歩きの不自由なお年寄りが多く、ユニバーサルデザインの玄関が必要となりました。
平成15年、自動ドア、冬を考えての屋内スロープとしました。

■受付と支払いの分離:
窓口の混乱を避けるため、受付と支払い窓口を別としました。

■臨時診察室:
健診、予防接種、インフルエンザ流行時など、一般受療者と分けての診察スペースが必要となりました。
院内感染、インフルエンザ、SARSなど、診療機関の感染症に対する意識の変革が急がれています。
季節により、感染症診察室、予防接種室、健診室として使用します。
夏は壁を取り払い、談話室とします。 |
|
|
|
|
 |
| |
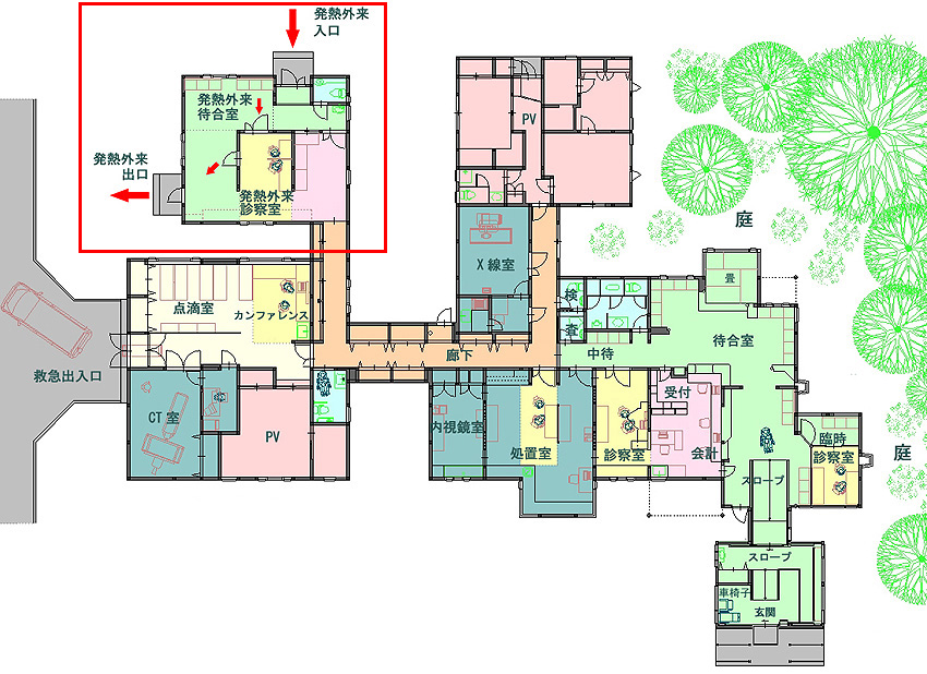
| 第4期・発熱外来棟増改築・【平成20年】 |
感染症に対応可能な医院としました。
SARS、鳥型インフルエンザ対策を検討する中で出入り口から分離できる発熱者診療棟が必要と考えました。
健診業務の増大に対応できるスペースが必要となりましたので、季節を考えて抱き合わせで運用すれば増築可能と考えました。
平成21年流行の新型インフルエンザは弱毒性で、良い予行演習となりました。
ただ、弱毒性だったため、新型インフルエンザ組みし易しとの慢心が
世の中を覆ってしまったのが気になります。
強毒性新型インフルエンザは必ず来ます。万全の備えをしましょう。 |
|
|
|
|
 |
| |